Надёжное решение для монтажа осветительных приборов в местах, где стандартные стойки применить невозможно. Стальная пластина с восемью точками крепления фиксируется на стене, потолке или деревянном ящике, а короткий бэби-штырь длиной 7,6 см отводит оборудование от поверхности, исключая тени от конструкции. Отверстие в штыре позволяет подключить страховочный трос дополнительная гарантия безопасности при работе с тяжёлым светом.
Универсальное крепление
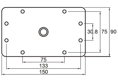
Пластина размером 9 × 15 см имеет восемь отверстий под гвозди или саморезы, что даёт свободу выбора точки фиксации под любой рельеф поверхности. Возможна установка вертикально, горизонтально или под наклоном, крепление выдерживает боковую нагрузку без деформации даже при использовании на временных конструкциях.
Стандартный интерфейс с защитой
Приваренный штифт диаметром 16 мм (стандарт 5/8") обеспечивает совместимость с большинством осветительных приборов и аксессуаров без переходников. Длина штыря 7,6 см оптимальна для плотной установки света в ограниченном пространстве, а сквозное отверстие в его основании позволяет закрепить страховочный трос для предотвращения падения оборудования.
Где применяется
Незаменим при работе внутри декораций, у потолка в небольших помещениях, на временных конструкциях или на ящиках apple box. Позволяет разместить свет точно в нужной точке для контровой подсветки, бокового акцента или заполнения теней в условиях, где стойка или стрела физически не помещаются.
Комплектация кронштейна KUPO KS-046
- Монтажная пластина с бэби-штырём — 1 шт.
|
Код товара
|
10360 |
|
Вес (кг)
|
0.7 |
|
Размер товара (см)
|
26/19/10 |
|
Артикул производителя
|
10360 |
